Rozsdamentes, hőálló és alumínium U-profilok
Rozsdamentes, hőálló U-profilok fajtái, mérettáblázat
Alumínium U-profilok jellemzői, mérettáblázat
ROZSDAMENTES ÉS HŐÁLLÓ U-PROFILOK
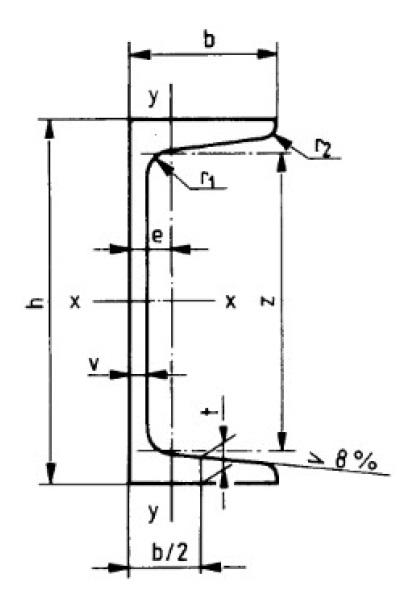
Jellemző méretei:
- talpszélesség (b)
- szelvénymagasság (h)
- gerincvastagság (v)
- közepes talpvastagság (t)
- belső lekerekítési sugár (r1)
- talp lekerekítési sugara (r2)
- belső erők karja: nyomó- és húzófeszültségek eredőinek egymástól való távolsága (z)
- szélsőpont távolsága a súlyponti tengelytől (e)
- tehetetlenségi nyomaték (I)
- keresztmetszeti tényező (K)
- tehetetlenségi sugár (i).
U-profilok csoportosítása gyártási mód szerint:
- melegen hengerelt
- lézerhegesztett
- lemezből hajlított.
U-profilok csoportosítása felületkiképzés szerint:
- natúr
- szálcsiszolt
- tükrös.
Gyártási hossz: 6 m.
Tűrés: EN 10279 szerint.
Fajtái:
1) UPN vagy UNP
- Európai szabványos profil.
- Tűrés: EN 10279: 2000 szerint, méretek EN 10365 szerint.
- A talpak belső felülete ferde, nem egyenes, mint az UPE vagy az UAP profilok esetében.
2) UPA
- EN 10365 szabvány szerinti párhuzamos talpakkal gyártják. Tűrés: EN 10279 szerint.
- Az anyagvastagság mind oldalon azonos (gerincen és talpakon is azonos).
- Habár statikailag nem egyenértékű az UPN vagy UNP profillal, ennek ellenére költséghatékony megoldás lehet.
- UPN-nel összehasonlítva könnyebb beépíteni.
3) UPE
- Anyagvastagságot tekintve vékonyabbak az UPN profiloknál, ugyanakkor statikailag hasonló értéket mutatnak.
- Az UPE-profilok alkalmazása akár 30% súlymegtakarítást is eredményezhet az UPN profilokhoz képest, hasonló statikai körülményeket feltételezve.
4) PFC
- Főként Nagy-Britanniában és Ázsiában elterjedt profil.
- Súly: Általában nehezebb, mint az UPN profiloké.
| UPN méretek | ||||||||
| Méret | Kivitel | kg/m | h | b | v (tw) |
t (tf) | r1 | r2 |
| UPN 20*10*3 | hengerelt | 0,89 | 20 | 10 | 3 | 3,5 | 3,5 | 2,5 |
| UPN 30*15*4 | hengerelt | 1,78 | 30 | 15 | 4 | 4,5 | 4,5 | 2,5 |
| UPN 30*15*4 | lézerhegesztett | 1,76 | 30 | 15 | 4 | 4,5 | 1 | <1 |
| UPN 30*33*5 | hengerelt | 4,37 | 30 | 33 | 5 | 7 | 7 | 3 |
| UPN 40*20*3 | hengerelt | 1,83 | 40 | 20 | 3 | 3,5 | 3,3 | 3 |
| UPN 40*20*3 | lézerhegesztett | 1,92 | 40 | 20 | 3 | 3,3 | 1 | <1 |
| UPN 40*20*4 | hengerelt | 2,43 | 40 | 20 | 4 | 4,5 | 4,5 | 3 |
| UPN 40*20*4 | lézerhegesztett | 2,44 | 40 | 20 | 4 | 4,5 | 1 | <1 |
| UPN 40*35*5 | hengerelt | 4,98 | 40 | 35 | 5 | 7 | 7 | 3 |
| UPN 40*35*5 | lézerhegesztett | 4,96 | 40 | 35 | 5 | 7 | 1 | <1 |
| UPN 50*25*5 | hengerelt | 3,9 | 50 | 25 | 5 | 6 | 5 | 3,5 |
| UPN 50*25*5 | lézerhegesztett | 3,92 | 50 | 25 | 5 | 6 | 1 | <1 |
| UPN 50 | hengerelt | 5,6 | 50 | 38 | 5 | 7 | 7 | 3,5 |
| UPN 50 | lézerhegesztett | 5,7 | 50 | 38 | 5 | 7 | 1 | <1 |
| UPN 60*30*6 | hengerelt | 5,16 | 60 | 30 | 6 | 6 | 6 | 3 |
| UPN 60*30*6 | lézerhegesztett | 5,19 | 60 | 30 | 6 | 6 | 1 | <1 |
| UPN 65 | hengerelt | 7,11 | 65 | 42 | 5,5 | 7,5 | 7,5 | 4 |
| UPN 65 | lézerhegesztett | 7,24 | 65 | 42 | 5,5 | 7,5 | 1 | <1 |
| UPN 80 | hengerelt | 8,68 | 80 | 45 | 6 | 8 | 8 | 4 |
| UPN 80 | lézerhegesztett | 8,85 | 80 | 45 | 6 | 8 | 2 | <1 |
| UPN 100 | hengerelt | 10,61 | 100 | 50 | 6 | 8,5 | 8,5 | 4,5 |
| UPN 100 | lézerhegesztett | 10,8 | 100 | 50 | 6 | 8,5 | 2 | <1 |
| UPN 120 | hengerelt | 13,4 | 120 | 55 | 7 | 9 | 9 | 4,5 |
| UPN 120 | lézerhegesztett | 13,65 | 120 | 55 | 7 | 9 | 2 | <1 |
| UPN 140 | hengerelt | 16,08 | 140 | 60 | 7 | 10 | 10 | 5 |
| UPN 140 | lézerhegesztett | 16,33 | 140 | 60 | 7 | 10 | 2 | <1 |
| UPN 160 | hengerelt | 18,96 | 160 | 65 | 7,5 | 10,5 | 10,5 | 5,5 |
| UPN 160 | lézerhegesztett | 19,27 | 160 | 65 | 7,5 | 10,5 | 2 | <1 |
| UPN 180 | hengerelt | 22,09 | 180 | 70 | 8 | 11 | 11 | 5,5 |
| UPN 180 | lézerhegesztett | 22,45 | 180 | 70 | 8 | 11 | 2 | <1 |
| UPN 200 | lézerhegesztett | 25,85 | 200 | 75 | 8,5 | 11,5 | 2 | <1 |
| UPN 220 | lézerhegesztett | 30,05 | 220 | 80 | 9 | 12,5 | 2 | <1 |
| UPN 240 | lézerhegesztett | 33,96 | 240 | 85 | 9,5 | 13 | 2 | <1 |
| UPN 260 | lézerhegesztett | 38,73 | 260 | 90 | 10 | 14 | 2 | <1 |
| UPN 280 | lézerhegesztett | 42,81 | 280 | 95 | 10 | 15 | 2 | <1 |
| UPN 300 | lézerhegesztett | 47,05 | 300 | 100 | 10 | 16 | 2 | <1 |
| UPN 320 | lézerhegesztett | 59,93 | 320 | 100 | 14 | 17,5 | 2 | <1 |
| UPN 350 | lézerhegesztett | 61,23 | 350 | 100 | 14 | 16 | 2 | <1 |
| UPN 380 | lézerhegesztett | 63,71 | 380 | 102 | 13,5 | 16 | 2 | <1 |
| UPN 400 | lézerhegesztett | 72,46 | 400 | 110 | 14 | 18 | 2 | <1 |
| UPA méretek | ||||||
| Méret | Kivitel | kg/m | h | b | v (tw) | t (tf) |
| UPA 50*25*3 | hengerelt | 2,3 | 50 | 25 | 3 | 3 |
| UPA 60*30*5 | hengerelt | 4,5 | 60 | 30 | 5 | 5 |
| UPA 80*40*4 | lézerhegesztett | 4,9 | 80 | 40 | 4 | 4 |
| UPA 80*40*5 | hengerelt/lézerhegesztett | 6 | 80 | 40 | 5 | 5 |
| UPA 80*40*6 | hengerelt/lézerhegesztett | 7,1 | 80 | 40 | 6 | 6 |
| UPA 100*50*4 | hengerelt/lézerhegesztett | 6,2 | 100 | 50 | 4 | 4 |
| UPA 100*50*5 | hengerelt/lézerhegesztett | 7,6 | 100 | 50 | 5 | 5 |
| UPA 100*50*6 | hengerelt/lézerhegesztett | 9 | 100 | 50 | 6 | 6 |
| UPA 120*60*5 | hengerelt/lézerhegesztett | 9,2 | 120 | 60 | 5 | 5 |
| UPA 120*60*6 | hengerelt/lézerhegesztett | 11 | 120 | 60 | 6 | 6 |
| UPA 130*65*6 | hengerelt/lézerhegesztett | 11,9 | 130 | 65 | 6 | 6 |
| UPA 130*65*9 | hengerelt/lézerhegesztett | 17,4 | 130 | 65 | 9 | 9 |
| UPA 140*70*7 | hengerelt/lézerhegesztett | 14,9 | 140 | 70 | 7 | 7 |
| UPA 150*75*6 | hengerelt/lézerhegesztett | 13,8 | 150 | 75 | 6 | 6 |
| UPA 150*75*9 | hengerelt/lézerhegesztett | 20,3 | 150 | 75 | 9 | 9 |
| UPA 160*80*6 | hengerelt/lézerhegesztett | 14,8 | 160 | 80 | 6 | 6 |
| UPA 160*80*8 | hengerelt/lézerhegesztett | 19,5 | 160 | 80 | 8 | 8 |
| UPA 180*90*8 | lézerhegesztett | 22 | 180 | 90 | 8 | 8 |
| UPA 200*100*8 | lézerhegesztett | 24,6 | 200 | 100 | 8 | 8 |
| UPA 200*100*10 | lézerhegesztett | 30,4 | 200 | 100 | 10 | 10 |
| UPE méretek | ||||||
| Méret | Kivitel | kg/m | h | b | v (tw) | t (tf) |
| UPE 80 | lézerhegesztett | 7,7 | 80 | 50 | 4 | 7 |
| UPE 100 | lézerhegesztett | 9,7 | 100 | 55 | 4,5 | 7,5 |
| UPE 120 | lézerhegesztett | 11,9 | 120 | 60 | 5 | 8 |
| UPE 140 | lézerhegesztett | 14,3 | 140 | 65 | 5 | 9 |
| UPE 160 | lézerhegesztett | 16,9 | 160 | 70 | 5,5 | 9,5 |
| UPE 180 | lézerhegesztett | 19,6 | 180 | 75 | 5,5 | 10,5 |
| UPE 200 | lézerhegesztett | 22,6 | 200 | 80 | 6 | 11 |
| UPE 220 | lézerhegesztett | 26,5 | 220 | 85 | 6,5 | 12 |
| UPE 240 | lézerhegesztett | 30,1 | 240 | 90 | 7 | 12,5 |
| UPE 270 | lézerhegesztett | 35,1 | 270 | 95 | 7,5 | 13,5 |
| UPE 300 | lézerhegesztett | 44,5 | 300 | 100 | 9,5 | 15 |
| UPE 330 | lézerhegesztett | 53,1 | 330 | 105 | 11 | 16 |
| UPE 360 | lézerhegesztett | 61,2 | 360 | 110 | 12 | 17 |
| UPE 400 | lézerhegesztett | 72,4 | 400 | 115 | 13,5 | 18 |
| PFC méretek | ||||||
| Méret | Kivitel | kg/m | h | b | v (tw) | t (tf) |
| PFC 100*50*10 | lézerhegesztett | 10,1 | 100 | 50 | 5 | 8,5 |
| PFC 125*65*15 | lézerhegesztett | 14,6 | 120 | 65 | 5,5 | 9,5 |
| PFC 150*75*18 | lézerhegesztett | 17,7 | 150 | 75 | 5,5 | 10 |
| PFC 150*90*24 | lézerhegesztett | 23,8 | 150 | 90 | 6,5 | 12 |
| PFC 180*75*20 | lézerhegesztett | 20,2 | 180 | 75 | 6 | 10,5 |
| PFC 180*90*26 | lézerhegesztett | 26,1 | 180 | 90 | 6,5 | 12,5 |
| PFC 200*75*23 | lézerhegesztett | 23,4 | 200 | 75 | 6 | 12,5 |
| PFC 200*90*30 | lézerhegesztett | 29,8 | 200 | 90 | 7 | 14 |
| PFC 230*75*26 | lézerhegesztett | 25,7 | 230 | 75 | 6,5 | 12,5 |
| PFC 230*90*32 | lézerhegesztett | 32,3 | 230 | 90 | 7,5 | 14 |
| PFC 260*75*28 | lézerhegesztett | 27,6 | 260 | 75 | 7 | 12 |
| PFC 260*90*35 | lézerhegesztett | 35 | 260 | 90 | 8 | 14 |
| PFC 300*90*41 | lézerhegesztett | 41,7 | 300 | 90 | 9 | 15,5 |
| PFC 300*100*46 | lézerhegesztett | 45,6 | 300 | 100 | 9 | 16,5 |
| PFC 380*100*54 | lézerhegesztett | 54,2 | 380 | 100 | 9,5 | 17,5 |
| PFC 430*100*64 | lézerhegesztett | 64,9 | 430 | 100 | 11 | 19 |
ALUMÍNIUM U-PROFILOK
Jellemző méretei:
- szelvénymagasság (b)
- talpszélesség (h)
- gerincvastagság (s).
Legjáratosabb minőségek: AlMgSi0,5 (EN AW 6060), AlMgSi1 (EN AW 6082).
Sajtolt U-profilok gyártási hossza: 6 m.
Felületek:
- natúr
- polírozott
- szálcsiszolt
- festett
- eloxált.
Szabvány: EN 755-9
| ALUMÍNIUM U-PROFIL MÉRETEK | |||
| Méret | Súly | Méret | Súly |
| mm-ben | (kg/m) | mm-ben | (kg/m) |
| 10x10x1,5 | 0,111 | 40x20x2 | 0,410 |
| 10x10x2 | 0,140 | 40x20x3 | 0,611 |
| 12x20x2 | 0,259 | 40x25x3 | 0,680 |
| 12,5x12,5x1,5 | 0,132 | 40x30x3 | 0,760 |
| 15x15x1,5 | 0,170 | 40x30x4 | 0,990 |
| 15x15x2 | 0,221 | 40x40x2 | 0,630 |
| 15x15x3 | 0,316 | 40x40x3 | 0,920 |
| 15x20x2 | 0,275 | 40x40x4 | 1,210 |
| 15x30x3 | 0,560 | 45x25x3 | 0,734 |
| 18x18x2 | 0,270 | 45x45x2 | 0,710 |
| 20x10x2 | 0,194 | 50x15x3 | 0,600 |
| 20x15x2 | 0,253 | 50x25x3 | 0,760 |
| 20x20x1,5 | 0,235 | 50x30x3 | 0,840 |
| 20x20x2 | 0,302 | 50x30x4 | 1,122 |
| 20x25x1,5 | 0,271 | 50x40x4 | 1,342 |
| 20x30x1,5 | 0,312 | 50x50x3 | 1,170 |
| 20x30x2 | 0,410 | 50x50x4 | 1,530 |
| 21x35x2 | 0,470 | 50x50x5 | 1,890 |
| 22x22x2 | 0,335 | 60x30x3 | 0,941 |
| 25x15x2 | 0,281 | 60x30x4 | 1,210 |
| 25x20x2 | 0,329 | 60x40x3 | 1,106 |
| 25x20x3 | 0,478 | 60x40x4 | 1,430 |
| 25x25x2 | 0,383 | 60x40x5 | 1,760 |
| 25x25x3 | 0,560 | 70x40x4 | 1,530 |
| 25x30x2 | 0,437 | 80x30x3 | 1,109 |
| 25x35x2 | 0,491 | 80x40x4 | 1,640 |
| 30x15x2 | 0,308 | 80x50x5 | 2,300 |
| 30x15x3 | 0,446 | 90x50x3 | 1,518 |
| 30x20x2 | 0,356 | 100x40x4 | 1,860 |
| 30x20x3 | 0,520 | 100x50x5 | 2,570 |
| 30x30x2 | 0,464 | 100x64x6,4 | 3,720 |
| 30x30x3 | 0,680 | 125x63x6 | 3,870 |
| 34x32x2 | 0,510 | 125x80x8 | 5,800 |
| 35x20x2 | 0,383 | 140x60x7 | 4,650 |
| 35x25x2 | 0,446 | 160x80x10 | 8,100 |
| 35x35x2 | 0,545 | ||
| 35x35x3 | 0,801 | ||



